[Unten]

  Home    Ladeautomaten   Bewaffnung   Munition   Feuerleitanlagen   Stabilisatoren   Allgemeines   Impressum   Links   Neues  

Inhalt:

100 mm D-10

 

Die russische Panzerkanone D-10T

Im Dezember 1943 erhielt die russische Maschinenbaufabrik "Uralmash" den Auftrag für einen neuen Panzerjäger eine Kanone auf der Grundlage der 100 mm Marinekanone B-34 zu konstruieren und bis Ende Februar 1944 bereitzustellen. Die Basisvariante dieser neuen Kanone erhielt die Bezeichnung D-10T für Panzer und D-10S für Jagdpanzer. Beide Varianten besitzen die gleichen ballistischen Eigenschaften und unterscheiden sich nur in kleinen Details.
Nach Kriegsende wurde diese Kanone die Standardkanone des neuen Kampfpanzers T-54 und ist bis jetzt eine der am meisten eingesetzten Panzerkanonen der Welt. In zahlreichen Staaten ist der mit der D-10 bewaffnete T-54/55 noch immer im Einsatz und wird es vermutlich auch noch einige Zeit bleiben.

100 mm Panzerkanone D-10T, Kampfpanzer T-55

Ihre Hauptbaugruppen sind das Rohr mit Bodenstück und Ejektor (Rauchabsauger), der Verschluss mit Halbautomatik, die Rohrwiege, die Rücklaufeinrichtung, die Abfeuerungseinrichtung und die Richtmechanismen. Letztere gehören nach russischer Fachterminologie zur Kanone. Das gezogene Rohr mit 40 Zügen besteht aus einem Stück. Die Rohrlänge beträgt 5600 mm, also 56 Kaliberlängen. Die Abfeuerung erfolgt mit einer klassischen Schlagbolzenzündung.

Der an der Mündung befindliche Ejektor hat die Aufgabe, nach dem Schuss im Rohr befindliche Pulvergase und Treibladungsteile nach vorn aus dem Rohr abzusaugen. Nach dem das Geschoss die Bohrungen im Kanonenrohr in Höhe des Ejektors passiert hat, füllt sich der Hohlraum des Ejektors mit Pulvergas. Nach dem Verlassen der Rohrmündung , entspannen sich die komprimierten Gase und strömen mit ca. 500 m/sec durch die nach vorn gerichteten Bohrungen durch das Rohr, erzeugen dabei einen Unterdruck im hinteren Rohrteil und reißen Pulvergase und feste Treibladungsteile nach vorn aus dem Rohr heraus.

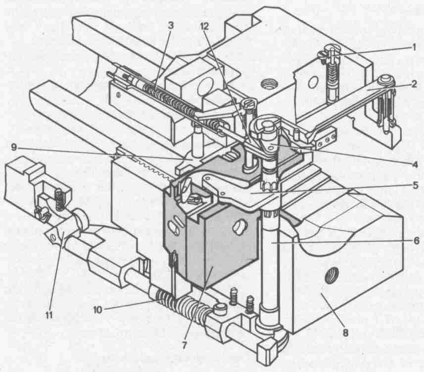
Das Bodenstück mit Halbautomatik der 100 mm Kanone D-10 ist wie folgt aufgebaut. Die Teile im Bild links sind:Aufbau Bodenstück 100 mm Kanone D-10

     

1 - Verschlußkeilsperre, 2 - Öffnerhebel, 3 - Schließerfeder, 4 - Gelenkspannstück, 5 - Winkelhebel mit Rolle, 6 - Spannwelle, 7 - Verschlußkeil, 8 - Bodenstück, 9 - Auswerferteile, 10 - Öffnerstößel, 11 - Öffnerklinke, 12 - Hebel und Welle der Wiederspanneinrichtung für den Schlagbolzen.

Die Abfeuerungseinrichtung besteht aus der mechanischen Schlageinrichtung mit der Möglichkeit den Schlagbolzen vom Richtschützenplatz aus beliebig oft nachzuspannen. Die mechanische Zündeinrichtung kann auch elektromechanisch über die Abfeuerungsknöpfe am Richtsteuerpult und an der Höhenrichtkurbel betätigt werden. Die Zündverzögerung beträgt 0,16 sec bei Nutzung der elektromechanischen Zündung. Bei Ausfall der Elektrik kann die Abfeuerung über einen Nothebel rein mechanisch ausgelöst werden.

Die D-10 besitzt je eine Rohrrücklaufbremse und einen Luftvorholer. Beide sind an der Oberseite der Kanone angebracht. Die Rohrrücklaufeinrichtung verringert die Rückstoßkraft um das 10 bis 15 fache. Als Füllung für die Rücklaufeinrichtung wird STEOL-M bzw. POSCH-70 verwendet. Diese Flüssigkeiten arbeiten unter einem Arbeitsdruck von bis zu 500 kp/cm2 und erheblicher Erwärmung ohne ihr Volumen bedeutend zu vergrößern. Der Ausdehnungskoeffizient bei Temperaturerhöhung um 1 Grad Celsius beträgt lediglich 0,00065.

     

[Oben]

  Home    Ladeautomaten   Bewaffnung   Munition   Feuerleitanlagen   Stabilisatoren   Allgemeines   Impressum   Links   Neues  

 

Copyright: Stefan Kotsch